No. :
CR-38 boiler centrifugal induced draft fan
Retail Price
Market Price
Keywords:
Donwload:
Weight
Inventory
隐藏域元素占位
- Product Description
-
Structural features
The fan adopt water-cooling or oil-cooling bearing, so it can work when the temperature is over 400 ℃
The performance of the fan between No4-6.3# calculate under 220 ℃
The performance of the fan between No7.1-11.2# calculate under 200 ℃.
The impeller adopts forward inclined impeller, with large air volume, high pressure and no overload
Model range:no.4-11.2#,10numbers in total.
Air volumerange:3297-72381m³/h
otal pressure range:1091-5805Pa
Application: lt is used to ventilate in boiler or other location with high temperature.
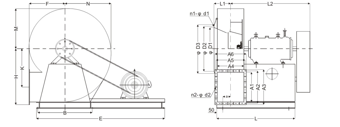
Dimensions


Model
L1
L2
B
Bo
C
Co
E
Eo
L
Lo
a
d
F
K
M
N
P
Q
R
7.1#
229
957
710
670
510
410
1500
1460
965
865
137
18.5
471
511
533
617
576
497
671
8#
259
976
790
750
610
510
1700
1660
1010
910
159
18.5
529
576
600
696
649
560
756
Model
H
Inlet
Outlet
0
45
90
135
180
225
n1-φd1
D1
D2
D3
n2-φd2
A1
A2
A3
A4
A5
A6
7.1#
814
775
720
680
635
600
12-φ12
560
620
650
16-φ12
400
456=114x4
490
355
408=102x4
445
8#
904
860
800
750
705
660
12-φ12
600
650
700
18-φ12
450
505=101x5
540
400
452=113x4
490
Model
L1
L2
Bo
B
L
Lo
a
d
F
K
M
N
P
Q
R
2poles
4poles
6poles
8poles
2poles
4poles
6poles
8poles
4#
150
632
380
420
1166
533
58
14.5
268
288
300
348
324
280
378
4.5#
163
645
430
470
1310
605
71
14.5
301
324
388
391
365
315
425
5#
176
657
470
510
1386
643
83
14.5
333
360
375
435
405
350
472
5.6#
189
909
540
580
1746
823
98
18.5
372
403
420
487
454
392
529
6.3#
209
925
600
640
2004
1580
952
740
117
18.5
418
453
473
548
511
441
595
7.1#
229
917
670
710
1714
807
137
18.5
471
511
533
617
576
497
671
8#
259
936
750
790
1850
875
159
18.5
529
576
600
696
649
560
756
9#
285
957
840
880
2020
960
184
18.5
594
647
676
783
730
630
850
10#
312
1226
930
980
2430
1165
210
24
663
719
751
869
811
700
945
11.2#
344
1251
1040
1090
2670
2440
1285
1170
240
24
741
806
841
974
908
784
1058
12.5#
379
1540
1170
1220
2966
2776
1433
1388
275
24
826
899
938
1087
1014
875
1181
14#
421
1573
1300
1350
3074
3044
1487
1472
316
28
926
1007
1051
1217
1135
979
1323
16#
468
1615
1480
1530
3144
1522
361
28
1058
1151
1201
1391
1297
1119
1512
Model
H
Inlet
Outlet
0
45
90
135
180
225
n1-φd1
D1
D2
D3
n2-φd2
A1
A2
A3
A4
A5
A6
4#
483
460
430
410
385
365
8-φ10
315
355
380
12-φ7
224
261=87×3
284
200
234=78×3
260
4.5#
533
510
475
450
420
400
8-φ10
355
395
420
12-φ10
250
291=97×3
320
225
261=87×3
295
5#
583
555
520
490
460
435
8-φ12
400
450
480
14-φ10
280
320=80×4
350
250
288=96×3
320
5.6#
663
630
590
555
525
495
8-φ12
450
500
530
16-φ10
315
356=89x4
385
280
316=79x4
350
6.3#
734
700
650
615
575
545
12-φ12
500
560
590
16-φ10
355
396=99×4
425
315
352=88x4
385
7.1#
814
775
720
680
635
600
12-φ12
560
620
650
16-φ12
400
456=114x4
490
355
408=102x4
445
8#
904
860
800
750
705
660
12-φ12
600
650
700
18-φ12
450
505=101x5
540
400
452=113x4
490
9#
1004
950
885
830
780
730
12-φ12
700
750
800
20-φ12
500
555=111x5
590
450
500=100x5
540
10#
1145
1085
1010
955
895
840
16-φ12
800
860
890
22-φ12
560
612=102x6
650
500
550=110x5
590
11.2#
1265
1200
1120
1050
985
925
16-φ15
900
970
1030
24-φ12
630
690=115x6
730
560
612=102x6
660
12.5#
1415
1340
1250
1175
1100
1035
16-φ15
1000
1070
1130
26-φ12
710
770=110×7
810
630
684=114x6
730
14#
1565
1485
1380
1295
1215
1140
20-φ15
1120
1190
1250
30-φ12
800
856=107×8
900
710
763=109x7
810
16#
1767
1675
1555
1460
1365
1365
20-φ15
1250
1320
1380
30-φ15
900
960=120x8
1000
800
861=123x7
900
Performance Chart
Coupling Drive Type ( D Type )
Model
Rotate Speed (r/min)
Air Volume
(m²/h)
Full Pressure
(Pa)
Static Pressure
(Pa)
Frame size
Power
(kw)
CR-38-4D
2900
3297
2275
2126
132S1
5.5
3846
2334
2131
4396
2334
2069
4945
2294
1959
132S2
7.5
5495
2226
1812
CR-38-4.5D
2900
4694
2873
2684
160M1
11
5477
2951
2694
6259
2961
2626
7042
2912
2488
7824
2814
2290
CR-38-5D
2900
6439
3550
3317
160M2
15
7513
3648
3331
8586
3658
3244
160L
18.5
9659
3589
3065
10733
3481
2834
CR-38-5.6D
2900
9047
4452
4160
200L1
30
10555
4570
4173
12063
4579
4060
13571
4511
3854
200L2
37
15079
4364
3553
1450
4524
1113
1040
160L
15
5278
1143
1044
6032
1145
1015
6786
1128
964
180M
18.5
7540
1091
888
CR-38-6.3D
2900
12882
5639
5269
225M
45
15029
5786
5283
17176
5805
5148
250M
55
19323
5707
4875
21470
5521
4494
132S1
5.5
1450
6441
1402
1310
7514
1441
1315
8588
1451
1287
132M
7.5
9661
1422
1214
10735
1372
1115
CR-38-7.1D
1600
10173
2177
2028
180M
18.5
11869
2265
2062
13564
2275
2010
15260
2265
1929
16955
2235
1820
18651
2186
1684
180L
22
20346
2108
1511
1450
9219
1784
1661
160M
11
10756
1863
1696
12292
1873
1655
13829
1863
1587
160L
15
15366
1833
1492
16902
1794
1382
180M
18.5
18439
1735
1244
CR-38-8D
1600
14553
2765
2575
200L
30
16978
2873
2615
19404
2893
2556
21830
2873
2446
225S
37
24255
2834
2307
26681
2775
2138
225M
45
29106
2677
1919
1450
13189
2275
2119
180L
22
15387
2363
2151
17585
2373
2096
19783
2636
2013
21982
2334
1902
200L
30
24180
2285
1762
26378
2206
1583
CR-38-9D
1450
18778
2873
2676
225S
37
21908
2991
2723
25038
3010
2660
28168
2991
2548
250M
55
31298
2951
2404
34427
2893
2231
37557
2785
1997
CR-38-10D
1450
25760
3550
3307
250M
55
30053
3687
3356
34346
3716
3284
280S
75
38639
3687
3140
42933
3648
2972
47226
3569
2751
280M
90
51519
3442
2469
960
17055
1556
1449
200L1
18.5
19897
1616
1471
22739
1639
1439
200L2
22
25582
1616
1376
28425
1599
1303
31267
1564
1206
225M
30
34109
1509
1082
CR-38-11.2D
1450
36190
4462
4157
315S
110
42222
4628
4213
48254
4658
4115
54285
4630
3943
315M1
132
60317
4570
3722
66349
4471
3445
315M2
160
72381
4324
3103
960
23960
1951
1817
225M
30
27954
2030
1848
31947
2039
1801
35941
2030
1729
280S
45
39934
2000
1628
43927
1961
1511
47921
1892
1357
Related Products
Product Information
Fill in your phone number and email information, and we will contact you in time to solve your problem as soon as possible.