No. :
FG Centrifugal Fan
Retail Price
Market Price
Keywords:
Donwload:
Weight
Inventory
隐藏域元素占位
- Product Description
-
Structural features
It can be make ofsheet steel epoxi-paint,stainless steel;
The impeller is designed for forward impeller, so it has large volume and low noise;
The fan is direct connection, so it is easy to installation and repairing ;
Modelrange:no.125-600,20 numbers in total
Airvolume range:350-20500m³/h
Total pressure range:210-1471Pa
Application: It is suitable for ventilation in factories and buildings
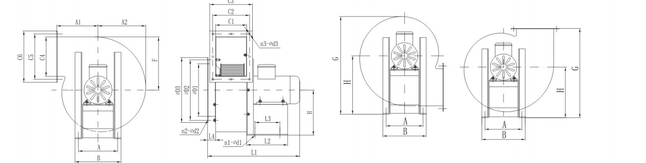
Dimensions

Dimensions of FG Centrifugal Fan
Model
Power
A
B
A1
A2
F
L1
L2
L3
L4
n1-0d1
H
G
Inlet
n2-0d2
Outlet
n3-0d3
0°
90°
0°
0D1
0D2
0D3
C1
C2
C3
C4
FG125
0.09kw/2
110
125
95
110
139
215
80
2-09
134
134
134
232
229
213
150
165
66
106
75
118
FG150
0.18kw/2
160
190
95
110
120
313
140
80
35
4-010
179
134
134
279
229
279
125
150
165
4-07
90
130
80
130
4-07
FG160
0.25kw/2
160
190
113
140
170
313
140
80
35
4-010
209
160
140
324
273
333
160
175
190
4-07
90
135
120
165
6-07
FG190
0.75kw/2
216
246
155
171
210
398
185
115
30
4-010
250
186
169
390
344
404
190
210
230
6-07
120
170
150
200
6-07
FG230
1.5kw/2
231
261
180
208
233
433
210
140
30
4-010
273
223
198
456
403
457
230
260
285
6-07
135
187
173
225
8-08
FG250
2.2kw/2
231
261
200
243
283
463
210
130
40
4-010
324
259
223
527
459
531
250
275
300
6-08
135
185
210
260
8-08
FG250
0.75kw/4
216
246
200
243
283
423
185
115
40
4-010
324
259
223
527
459
531
250
275
300
6-08
135
185
210
260
8-08
FG270
0.75kw/4
216
246
210
228
262
460
185
115
45
4-010
307
243
213
501
453
505
270
300
330
6-08
168
228
254
314
8-08
FG300
1.5kw/4
242
280
235
297
343
528
210
130
50
4-010
386
313
263
637
548
638
300
330
360
6-08
190
250
265
330
8-08
FG350
3.0kw/4
267
305
255
355
421
552
240
160
40
4-010
466
370
306
750
625
755
355
390
420
6-08
185
245
295
355
8-08
FG400
4.0kw/4
305
345
255
355
426
597
260
180
50
4-010
476
370
306
764
625
732
400
435
465
6-08
200
275
295
365
8-08
FG400L
2.2kw/6
305
345
255
355
426
737
260
180
50
4-010
476
370
306
764
625
732
400
435
465
6-08
340
410
400
470
12-08
FG450
7.5kw/4
340
380
360
385
443
734
337
237
50
4-014
493
401
346
816
761
798
450
485
515
8-08
245
315
285
355
8-08
FG500
5.5kw/6
350
400
350
436
520
869
337
237
50
4-014
570
450
363
912
800
918
500
535
570
8-08
380
450
394
464
12-08
FG550
5.5kw/6
360
410
437
491
210
845
310
210
50
4-014
632
526
449
1043
942
1043
560
595
630
8-08
355
425
476
564
12-08
FG600
7.5kw/6
400
450
437
491
210
903
365
265
50
4-014
632
526
449
1043
942
1043
600
640
670
8-08
355
425
476
564
12-08
Performance Chart
Model
Voltage (V)
Pover
(kW)Air Volume
(m³/h)Air Pressure
(Pa)Rotate Speed
(r/min)FG125
220
0.09
350-410
340-300
2850
FG150
220/380
0.2
800-1000
580-525
2850
FG160
220/380
0.25
800-1080
900-700
2850
FG190
380
0.75
2100-2300
840-760
2850
FG190
220/380
0.18
900-1080
280-210
1450
FG230
380
1.5
3500
1230
2850
FG230
220/380
0.37
1500
360
1450
FG250
380
2.2
2700-4200
1471-1275
2850
FG250
380
0.75
2200-2500
450-380
1450
FG270
380
0.75
3200
410
1450
FG300
380
1.5
4000-4500
550-500
1450
FG350
380
3
5100-6700
1200-1000
1450
FG400
380
4
9000-11000
950-850
1450
FG400L
380
2.2
10000
605
960
FG450
380
3
10800
900-700
960
FG450
380
7.5
12000-14000
1100-1000
1450
FG500
380
4
10000-14000
740-670
960
FG500
380
5.5
12500-16500
900-790
960
FG550
380
5.5
16500-18000
820-740
960
FG600
380
7.5
20500
900
960
Next
Related Products
Product Information
Fill in your phone number and email information, and we will contact you in time to solve your problem as soon as possible.